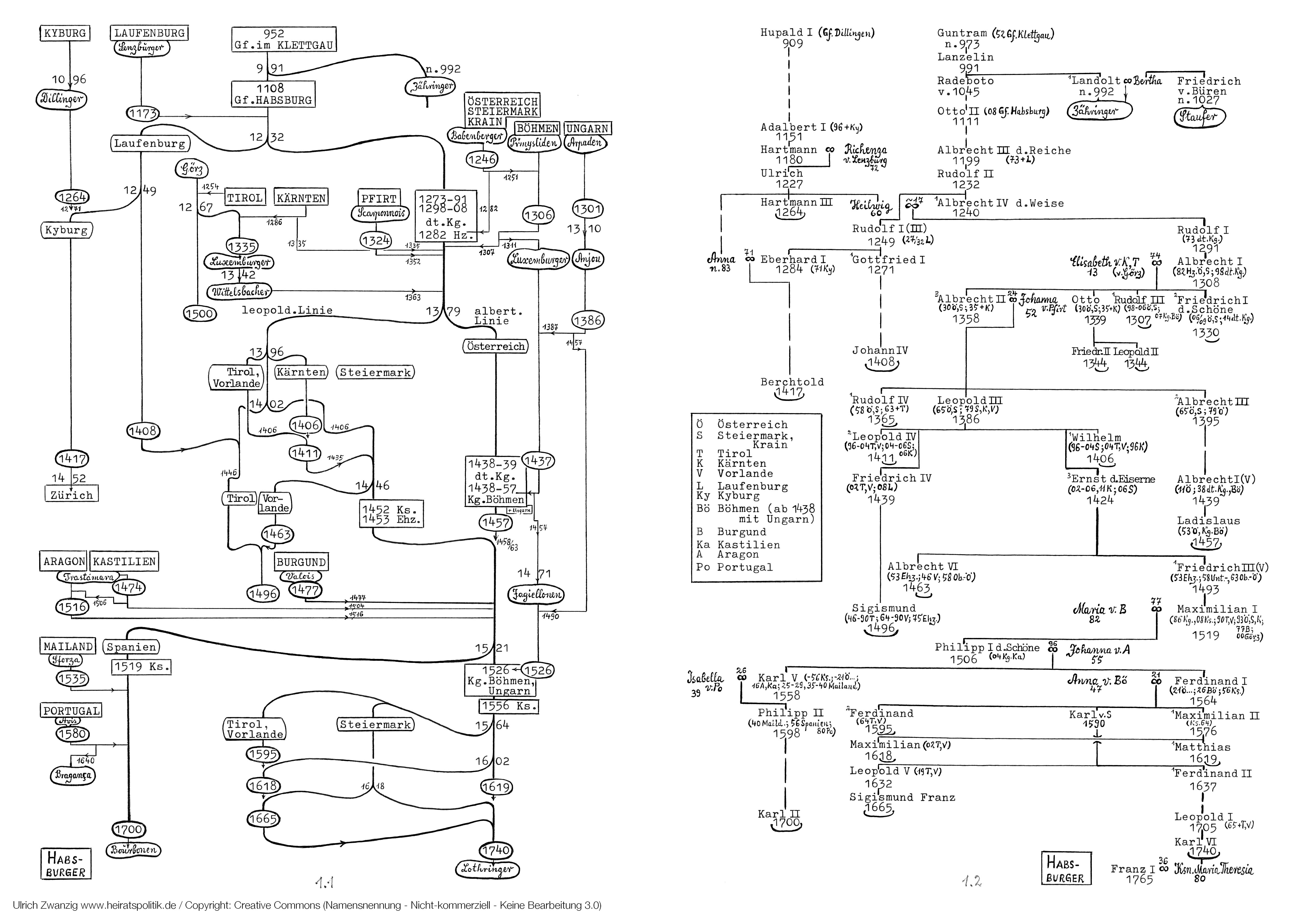
Habsburger
Abbildung 1.1 und 1.2

Abkürzungen: ~600 um 600, a. d. an der, Abd. Abdankung, Abh. Abhängigkeit, -b˘g. -burg, Bf. Bischof, -bg. -berg, Bgf. Burggraf, Bm. Bistum, d. Ä. d. Ältere, d. Ju. d. Junge, d. Jü. d. Jüngere, dt. deutsch, Ebf. Erzbischof, Ebm. Erzbistum, Ehz. Erzherzog, Fsm. Fürstentum, Fst. Fürst, Gf. Graf, Gfn. Gräfin, Gft. Grafschaft, Ghz. Großherzog, Ghzn. Großherzogin, Hz. Herzog, hzgl. herzöglich, Hzm. Herzogtum, Kf. Kurfürst, Kfm. Kurfürstentum, Kg. König, kgl. königlich, Kgn. Königin, Kgr. Königreich, Ks. Kaiser, Kurw. Kurwürde, Lgf. Landgraf, Mgf. Markgraf, Mgft. Markgrafschaft, n. 992 nach 992, Nied. Nieder-, Ob. Ober-, P.U./PU Personalunion, Pfg. Pfalzgraf, Pr./Prz. Prinz, Prät. Prätendent, Przr. Prinzregent, Reg. Regent(in), Sign. Signore, Sn. Seigneur, Statth./Sth. Statthalter, Thronf. Thronfolger, Unt. Unter-, v. 1045 vor 1045, v. Tirol von Tirol (v. wird dabei oft weggelassen, Bsp.: Gf. Hoya Gf. v. Hoya)
Beschreibung
Die Geschichte der Habsburger begann 952 mit der Erwähnung des Grafen Guntram im Klettgau und endete 1740 mit Ks. Karls VI Tod. Drei Phasen lassen sich unterscheiden: die südwestdeutsche Phase währte bis 1282, die österreichische bis 1477, die europäische Phase des Hauses Habsburg bis 1740.
1) Südwestdeutsche Phase (952-1282)
Schon vor der Wahl Rudolfs I 1273 zum deutschen König war Habsburg zum wichtigsten Geschlecht am Oberrhein aufgestiegen. Dazu hatte wesentlich beigetragen, daß die Grafen v. Habsburg, wie sie sich nach 1108 nannten, andere schwäbische Geschlechter beerbten: So erhielten sie Laufenburg von den Lenzburgern nach 1172, als Arnold IV, Kyburg von den Dillingern 1264, als Hartmann III gestorben war. Entsprechend wurde 1232 eine Nebenlinie Laufenburg eingerichtet, von der nach 1249 sich wiederum die Nebenlinie Kyburg abspaltete. Als letztere mit Berchtold 1417 endete, fiel Kyburg an Zürich. Das geschah in der Mitte des 15. Jh., als auch die übrigen althabsburgischen Besitzungen in der Schweiz dem Haus endgültig verlorengingen.
2) Österreichische Phase (1282-1477)
Die Hauptlinie hatte sich indessen in Österreich und Steiermark etabliert. Dort waren die Babenberger 1246 ausgestorben, und Kg. Rudolf belehnte seinen Sohn Albrecht mit den beiden Herzogtümern. An dessen Sohn Albrecht gelangte außerdem aus dem Besitz der Dynastie Görz nach dem Ableben Heinrichs VI 1335 das Hzm. Kärnten, während ihr anderer Besitz, Tirol, 1335 zunächst den Luxemburgern zufiel, 1342 den Wittelsbachern bis zu Meinhards Tod 1363, dann schließlich den Habsburgern.
Die Luxemburger hatten 1311 dem Haus Habsburg bereits Böhmen weggeschnappt, wo mit Kg. Wenzel III 1306 der letzte Přmyslide gestorben war. 1387 dehnten sie ihre Herrschaft nun auch auf Ungarn aus, wo bis 1301 die Arpaden, bis 1386 die Anjou regiert hatten. So ging es weiter hin und her: Nach dem Ende der Luxemburger 1437 bekam Österreich sowohl Böhmen als auch Ungarn, verlor aber schon 1457 beide wieder an das polnisch-litauische Reich der Jagiellonen.
Denn Österreich unterstand der albertinischen Linie, die sich 1379 mit der leopoldinischen Linie in den Besitz Habsburgs geteilt hatte, jedoch 1457 mit dem Ableben des Königs Ladislaus endete. Dieser hatte seinen ungarischen Namen zu früh getragen: Zwar konnte nun die überlebende, leopoldinische Linie in der Person Friedrichs III, seit 1452 auch Kaiser, den habsburgischen Besitz wiedervereinigen, doch eben ohne Ungarn und Böhmen.
3) Europäische Phase (1477-1740)
Die Heirat seines Sohnes Maximilian mit Maria v. Burgund 1477 bedeutete den Eintritt Habsburgs in die europäische und Weltpolitik. Maria brachte das Neuburgundische Reich, eine Neuauflage des alten Lotharingien, in die Ehe, da ihr Vater Hz. Karl d. Kühne 1477 ohne Nachfolger in der Schlacht von Nancy fiel. Beider Sohn Philipp d. Schöne wiederum erwarb durch die Ehe mit Johanna d. Wahnsinnigen seinem Sohn Ks. Karl V 1516 das spanische Erbe: Johannas Mutter Isabella v. Kastilien war 1506 gestorben, ihr Vater Ferdinand v. Aragon 1516.
Der Gesamtbesitz wurde 1521 erneut aufgeteilt. (In jeder seiner drei Phasen erlebte das Haus Habsburg eine besonders folgenreiche Aufspaltung: 1232 in Laufenburg und Hauptlinie, 1379 in albertinische und leopoldinische, 1521 in spanische und österreichische Linie.) Karl V eröffnete die spanische Linie, 1700 endend mit Kg. Karl II, sein Bruder Ferdinand I die österreichische Linie, 1740 endend mit Ks. Karl VI. Die spanischen Habsburger konnten nach dem Tod des letzten Sforza, des Hz. Francesco II, 1535 auch Mailand gewinnen, nach dem Tod des letzten Avis, Kg. Heinrichs II, 1580 auch Portugal, freilich nur bis 1640. Dagegen erwies sich der Gewinn Böhmens und Ungarns durch die österreichischen Habsburger - wegen des Ablebens des Jagiellonen Kg. Ludwig II 1526 - als dauerhaft.