Hohenzollern

Abbildung 4.1 und 4.2

Abkürzungen: ~600 um 600, a. d. an der, Abd. Abdankung, Abh. Abhängigkeit, -b˘g. -burg, Bf. Bischof, -bg. -berg, Bgf. Burggraf, Bm. Bistum, d. Ä. d. Ältere, d. Ju. d. Junge, d. Jü. d. Jüngere, dt. deutsch, Ebf. Erzbischof, Ebm. Erzbistum, Ehz. Erzherzog, Fsm. Fürstentum, Fst. Fürst, Gf. Graf, Gfn. Gräfin, Gft. Grafschaft, Ghz. Großherzog, Ghzn. Großherzogin, Hz. Herzog, hzgl. herzöglich, Hzm. Herzogtum, Kf. Kurfürst, Kfm. Kurfürstentum, Kg. König, kgl. königlich, Kgn. Königin, Kgr. Königreich, Ks. Kaiser, Kurw. Kurwürde, Lgf. Landgraf, Mgf. Markgraf, Mgft. Markgrafschaft, n. 992 nach 992, Nied. Nieder-, Ob. Ober-, P.U./PU Personalunion, Pfg. Pfalzgraf, Pr./Prz. Prinz, Prät. Prätendent, Przr. Prinzregent, Reg. Regent(in), Sign. Signore, Sn. Seigneur, Statth./Sth. Statthalter, Thronf. Thronfolger, Unt. Unter-, v. 1045 vor 1045, v. Tirol von Tirol (v. wird dabei oft weggelassen, Bsp.: Gf. Hoya Gf. v. Hoya)

[Erläuterungen siehe Grafische Nomenklatur]

[Abbildung als PDF]

Beschreibung

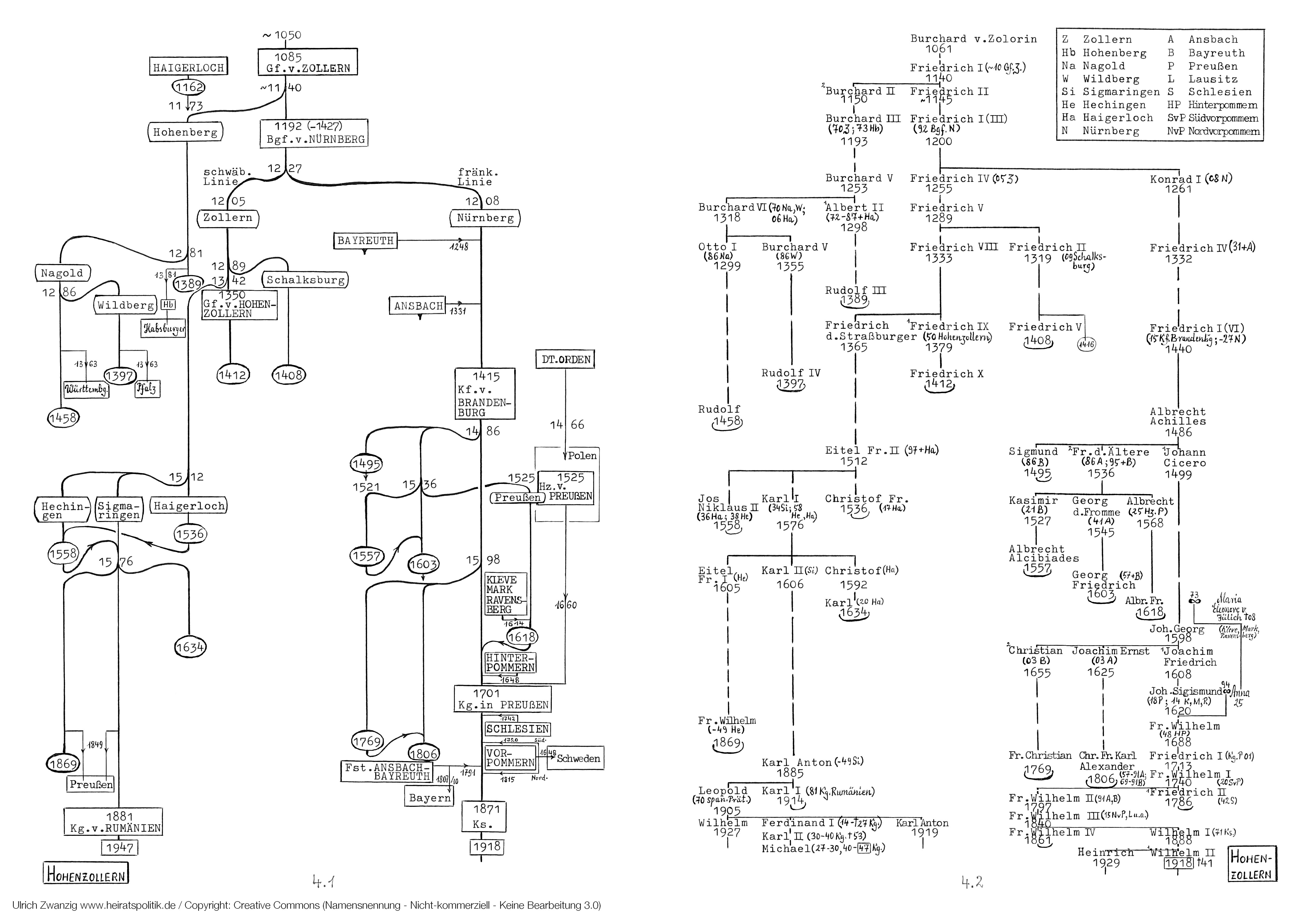
Der Leitname der Burchardinger, der hochmittelalterlichen Herzogsfamilie Schwabens, stimmt mit dem Namen des ersten, 1061 erwähnten Zollern, Burchard v. Zolorin, überein. Daher liegt es nahe anzunehmen, daß die Hohenzollern, wie sie sich ab 1350 nannten, direkt von den Burchardingern abstammten.

Das Geschlecht erlebte drei bedeutsame Teilungen: 1140, 1227 und 1486. Die erste um 1140 schien es auf seine schwäbische Heimat festzulegen, aber die zweite 1227 verlagerte seinen Schwerpunkt nach (Main-)Franken. 1415 verlagerte er sich erneut, nämlich nach Brandenburg, und die dritte Teilung 1486 bestätigte dies, indem nach ihr die fränkischen als bloße Nebenlinien figurierten.

Die Hohenzollern gehörten zu jenen fünf der hier behandelten Territorialdynastien, welche auf Dauer in zwei Hauptlinien gespalten blieben: die Brabanter seit 1567 in Kassel und Darmstadt, die Wettiner seit 1485 in Albertiner und Ernestiner, die Wittelsbacher seit 1329 in Bayern und Pfalz, die Nassauer seit 1255 in walramische und ottonische Linie.

1) Teilung ~1140

Friedrich I avancierte 1085 zum Grafen v. Zollern. Nach seinem Tod 1140 eröffnete der jüngere Sohn Burchard II eine Seitenlinie, die 1173 nach Hohenberg genannt und gleichzeitig durch die seit 1162 vakante Gft. Haigerloch bereichert wurde. Mit Rudolf III starb die Linie Hohenberg 1389 aus, aber Burchard VI hatte sie seit 1281 im Seitenzweig Nagold fortgeführt.

Nachdem auch dieser mit Rudolf 1458 ausgestorben war, schritt die schwäbische Hauptlinie 1512 (und erneut 1576) zu einem Umbau, der sich als ihre klassische Dreiteilung bezeichnen läßt, nämlich in Haigerloch (bis 1634), Hechingen (bis 1869) und Sigmaringen.

Aus dem Zweig Sigmaringen übrigens rekrutierten sich die Könige v. Rumänien zwischen 1881 und 1947; ferner entstammte ihr der Prätendent Leopold, dessen Verzicht auf die spanische Kandidatur 1870 von Bismarck in einen Anlaß zum Deutsch-Französischen Krieg umgedeutet wurde.

2) Teilung 1227

Aber jene schwäbische Hauptlinie war längst zu einer Nebenlinie der Hohenzollern geworden, nachdem Friedrich III 1192 das Nürnberger Burggrafenamt angetreten und sein Sohn Konrad I eine entsprechende fränkische Linie etabliert hatte. Während der schwäbische Zweig von den ehrgeizigen Württembergern an die Wand gedrückt wurde, florierte der fränkische zusehends.

Sein Machtzuwachs blieb nicht unbemerkt und wurde bald von höchster Stelle honoriert: Nicht von ungefähr betraute Kg. Sigismund den fränkischen Hohenzollern Friedrich VI 1415 mit Brandenburg und der Aufgabe, die in Anarchie versunkene Mark zu Recht und Ordnung zurückzubringen.

3) Teilung 1486

Friedrich VI v. Nürnberg wurde so zu Friedrich I v. Brandenburg, und die fränkische Burggrafenfamilie wandelte sich zum brandenburgischen Kurfürstengeschlecht. Von ihm wurden die fränkischen Wurzeln freilich nicht vergessen, und so wertete Kf. Albrecht Achilles 1473 die zur Bedeutungslosigkeit verurteilten Fürstentümer Ansbach und Bayreuth zur brandenburgischen Sekundogenitur auf.

Dies kam nach seinem Tod 1486 zum ersten Mal zur Geltung, als Johann Cicero Kurfürst, seine Brüder Friedrich und Sigmund Fürsten von Ansbach bzw. Bayreuth wurden; das zweite Mal 1603, als Kf. Joachim Friedrich die mit Georg Friedrichs Tod anfallenden Fürstentümer erneut an seine Söhne Christian und Joachim Ernst ausgab. Zuletzt kam Bayreuth an Ansbach 1769 nach Friedrich Christians, und Ansbach 1791 an Preußen, dann an Bayern nach Christian Alexanders Tod 1806.

Indes sollte der unbedeutende Ansbacher Zweig sich nachträglich als überaus bedeutend herausstellen. Er hatte 1525 einen preußischen Seitenzweig ausgebildet, als der Enkel des Kf. Albrecht Achilles, Albrecht, Herzog im säkularisierten Deutschordens-Gebiet wurde. Mit dessen Sohn Albrecht Friedrich endete dieser preußische Seitenzweig 1618, und seine Tochter Anna brachte das Herzogtum, bis 1660 polnisches Lehen, in den Besitz des Großen Kurfürsten Friedrich Wilhelm, ihres Sohnes, der 1648 schon Hinterpommern gewonnen hatte, nachdem in Pommern 1637 mit Bogislaw XIV die Greifen ausgestorben waren. Zudem hatte Anna von ihrer Mutter Maria Eleonore, der Schwester Johann-Wilhelms
(† 1609), des letzten Mark-Altena, die niederrheinischen Güter Kleve und Mark, ferner Ravensberg an ihren Sohn weitervererbt.

Der Große Kurfürst verfügte damit über ein zwar lückenhaftes, aber vom Rhein bis zur Memel reichendes Gelände. An eine Auffüllung der Lücken konnte er noch nicht denken. Sie sollte Preußen im 18. Jh. zur norddeutschen Vormacht und das Reich zum Schauplatz des preußisch-österreichischen Dualismus machen.