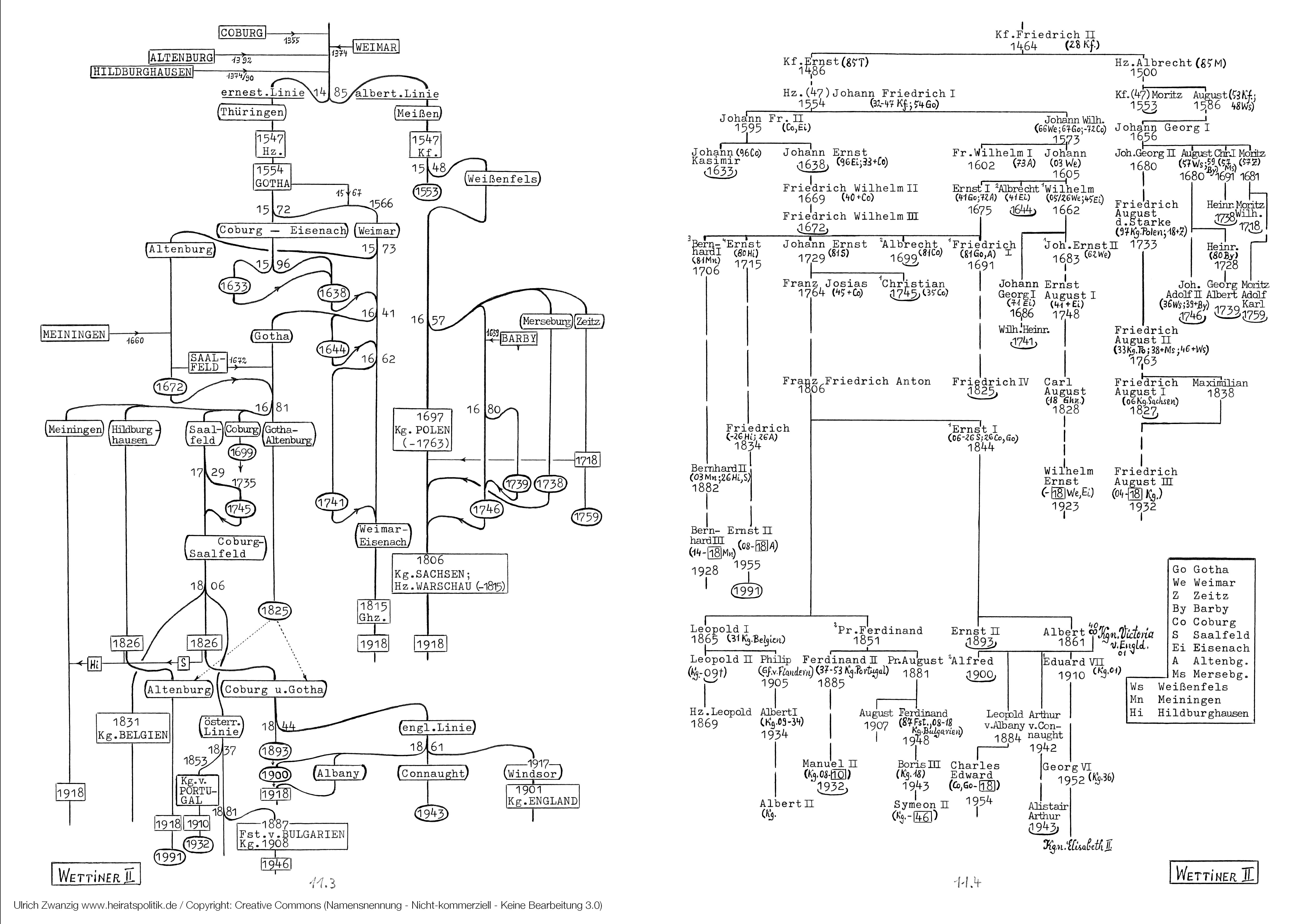
Wettiner in der Neuzeit
Abbildung 11.3 und 11.4

Abkürzungen: ~600 um 600, a. d. an der, Abd. Abdankung, Abh. Abhängigkeit, -b˘g. -burg, Bf. Bischof, -bg. -berg, Bgf. Burggraf, Bm. Bistum, d. Ä. d. Ältere, d. Ju. d. Junge, d. Jü. d. Jüngere, dt. deutsch, Ebf. Erzbischof, Ebm. Erzbistum, Ehz. Erzherzog, Fsm. Fürstentum, Fst. Fürst, Gf. Graf, Gfn. Gräfin, Gft. Grafschaft, Ghz. Großherzog, Ghzn. Großherzogin, Hz. Herzog, hzgl. herzöglich, Hzm. Herzogtum, Kf. Kurfürst, Kfm. Kurfürstentum, Kg. König, kgl. königlich, Kgn. Königin, Kgr. Königreich, Ks. Kaiser, Kurw. Kurwürde, Lgf. Landgraf, Mgf. Markgraf, Mgft. Markgrafschaft, n. 992 nach 992, Nied. Nieder-, Ob. Ober-, P.U./PU Personalunion, Pfg. Pfalzgraf, Pr./Prz. Prinz, Prät. Prätendent, Przr. Prinzregent, Reg. Regent(in), Sign. Signore, Sn. Seigneur, Statth./Sth. Statthalter, Thronf. Thronfolger, Unt. Unter-, v. 1045 vor 1045, v. Tirol von Tirol (v. wird dabei oft weggelassen, Bsp.: Gf. Hoya Gf. v. Hoya)
Beschreibung
Teilung 1485
Nachdem Lgf. Friedrich IV aus der Linie Osterland dem Haus Wettin 1423 das Kfm. Sachsen-Wittenberg erworben hatte, bekam die Leipziger Teilung 1485 in eine ernestinische und albertinische Linie grundsätzliche Bedeutung. Sie lief auf die Trennung Thüringens - ab 1547 Hzm. Sachsen - von Meißen - ab 1547 Kfm. Sachsen - hinaus, d. h. im politischen Charakter beider Gebilde begann ein immer schärferer Unterschied einzutreten.
Das albertinische Kfm. entwickelte sich seit dem 17. Jh. zu einem absolutistischen Staat; aus dem ernestinischen Hzm. Sachsen wurden vielmehr die Sächsischen Herzogtümer, also ein Agglomerat selbständiger herzöglicher Staatswesen, deren bloße Aufzählung schon imponiert: Gotha, Weimar, Eisenach, Altenburg, Coburg-Eisenach, Coburg-Saalfeld, Weimar-Eisenach, Coburg & Gotha, Coburg, Saalfeld, Meiningen, Hildburghausen, Gotha-Altenburg.
Bedeutung hatten:
1) die Teilung 1572 in Weimar und Coburg-Eisenach, von der die große Zersplitterung eingeleitet wurde;
2) die Teilung 1681 in die fünf letzteren der aufgezählten Herzogtümer;
3) nach dem Aussterben Gotha-Altenburgs 1826 die Neuorganisation der Thüringischen Staaten.
Den Anschub für die unzähligen Teilungen hatte u. a. der Erwerb Coburgs 1355, Weimars 1374, Hildburghausens 1390 und Altenburgs 1392 gebildet. Besonders intensivierte sich der Einfluß der Wettiner in Thüringen dadurch, daß sie Besitztum der Henneberger erwarben, die 1583 ausstarben.
Bis 1918 existierten noch die Zweige Meiningen, Altenburg (1826 aus Hildburghausen hervorgegangen) und Coburg & Gotha. Letzterer war 1826 aus dem Zweig Coburg-Saalfeld hervorgegangen, der nach Franz Friedrich Anton 1806 in vier europäischen Königshäusern auftauchte: der älteste Sohn Ernst I war der Vater Prinzgemahl Alberts und somit der Windsors, der zweite, Prinz Ferdinand, war der Vater Kg. Ferdinands II v. Portugal und Großvater Kg. Ferdinands v. Bulgarien, und mit dem jüngsten, Kg. Leopold, begannen die belgischen Könige.
Dagegen hatten die Abzweigungen, die von der kurfürstlichen, albertinischen Linie 1657 nach Weißenfels (mit Seitenzweig Barby 1680-1739), Merseburg und Zeitz ausgingen, eher den Status von Apanagen. Bevor sie bis 1759 sämtlich zur Hauptlinie zurückkehrten, liefen sie politisch ohne Bedeutung nebenher. Dessen regierende Familien verkörperten seine Homogenität und erwarben die polnische Krone (1697-1763), die auch bloßes Beiwerk darstellte, gleichwohl als weitere Gelegenheit, das monarchische Format des sächsischen Kurfürstentums zu unterstreichen.